Automatización Industrial, Control Eléctrico, Mantenimiento de Equipos 11 Mar 2026

Puesta en Servicio de Correa Transportadora Trifásica para Cliente Minero en Antofagasta

Puesta en Servicio de Correa Transportadora Trifásica para Cliente Minero en Antofagasta
Puesta en Servicio de Correa Transportadora Trifásica para Cliente Minero en Antofagasta - adicional
Sobre el proyecto

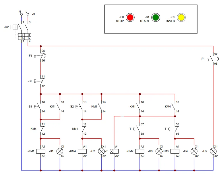
Proyecto integral para la puesta en servicio de una correa transportadora trifásica en instalaciones industriales de Antofagasta. El proyecto incluyó el diseño, instalación y automatización del sistema de transporte, garantizando eficiencia operativa, seguridad y adaptabilidad a las necesidades del cliente. Se implementó un circuito de control con inversor de giro para el motor trifásico, permitiendo cambiar la dirección de movimiento según los requisitos del proceso productivo.

El proyecto se desarrolló en varias etapas clave:

Diseño eléctrico y mecánico: Adaptación de la correa transportadora a las condiciones operativas del cliente, incluyendo selección de motores, reductores y componentes de transmisión.
Pruebas y seguridad: Verificación de enclavamientos eléctricos, protección contra cortocircuitos y sobrecargas, y cumplimiento de protocolos de seguridad industrial.
Capacitación: Entrenamiento al personal del cliente en operación, mantenimiento básico y solución de fallas comunes.
Puesta en marcha: Supervisión durante las primeras horas de operación para ajustar parámetros y garantizar un rendimiento óptimo.

Este proyecto destacó por su enfoque en la eficiencia energética y la reducción de tiempos de inactividad, mejorando la productividad del cliente en un entorno industrial exigente. La correa transportadora ahora opera con un sistema confiable, seguro y fácil de mantener, alineado con los estándares de la industria minera y logística en Chile.

Detalles del Proyecto

Fecha
11/03/2026
Categoría
Automatización Industrial, Control Eléctrico, Mantenimiento de Equipos
Servicios involucrados
¡Perfecto! Aquí tienes el formato completo para agregar el proyecto de "Puesta en Servicio de Correa Transportadora Trifásica" en Antofagasta adaptado al estilo de tu página web y con detalles técnicos relevantes: Título del proyecto Puesta en Servicio