Capacitación / Industrial / Instrumentación 29 Mar 2026

Capacitación en Automatización: Desarrollo de Planos de Instrumentación Industrial

Capacitación en Automatización: Desarrollo de Planos de Instrumentación Industrial
Capacitación en Automatización: Desarrollo de Planos de Instrumentación Industrial - adicional
Sobre el proyecto

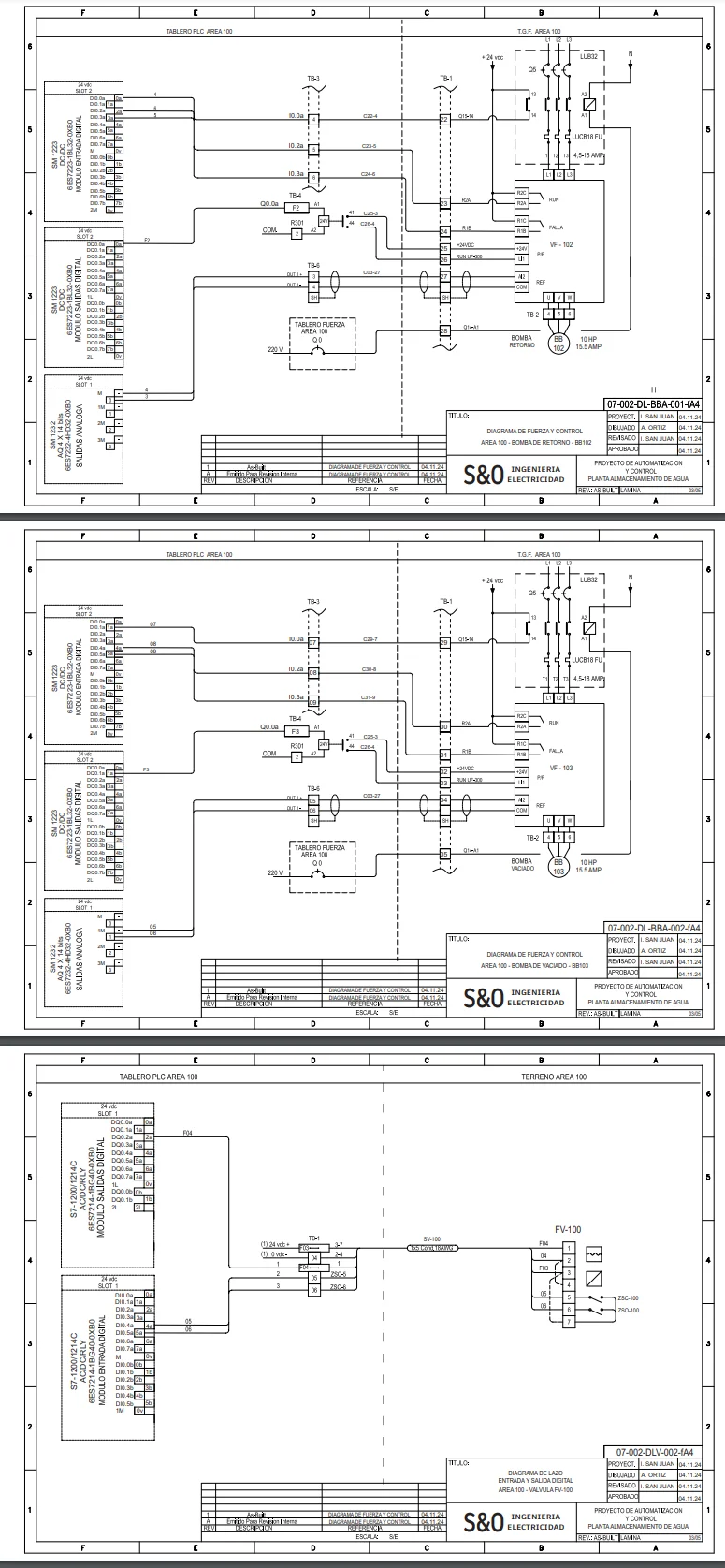
Se desarrolló una capacitación técnica enfocada en el diseño y elaboración de planos de instrumentación industrial, orientada a la correcta representación gráfica de sistemas de control y procesos. El programa abordó desde los fundamentos de la instrumentación hasta la interpretación y creación de diagramas utilizados en entornos industriales.

Durante la capacitación, los estudiantes trabajaron en el desarrollo de planos tipo P&ID (Piping and Instrumentation Diagram), identificando instrumentos, líneas de proceso, señales y lazos de control. Se reforzaron conceptos como simbología normalizada, nomenclatura industrial, identificación de variables de proceso y documentación técnica.

El enfoque práctico permitió a los participantes desarrollar planos claros y estructurados, fundamentales para la implementación, mantenimiento y análisis de sistemas automatizados.

Esta capacitación fortalece las competencias técnicas en documentación e interpretación de sistemas industriales, permitiendo a los estudiantes desenvolverse de manera más efectiva en proyectos de automatización, ingeniería y mantenimiento.

Detalles del Proyecto

Fecha
29/03/2026
Categoría
Capacitación / Industrial / Instrumentación
Servicios involucrados
Capacitación Técnica Instrumentación Industrial Diseño de Planos Lectura de Diagramas Normalización