Inicio
Nuestra Empresa
Blog Técnico
Blog
Detalle del Blog
Proyectos
Proyectos
Detalle de Proyectos
Contacto
Nuestro Portafolio
Trabajos
Realizados
Diseño Web
Sitio Web EDIM SpA
Ver Proyecto
Sistema IoT
Monitoreo Web Remoto
Ver Proyecto
Diseño 3D
Montacarga para Escalera
Ver Proyecto
Diseño PCB
PCB Módulo ESP32
Ver Proyecto
Programación
Pseudocódigo Triángulo Potencia
Ver Proyecto
Mobiliario
Pérgola de Madera
Ver Proyecto
Programación
Interfaz Qt Creator
Ver Proyecto
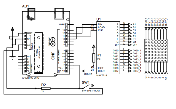
Electrónica
Arduino LED 8x8
Ver Proyecto
Automatización
Sistema CODESYS
Ver Proyecto
Programación
Interfaz Qt Creator
Ver Proyecto
SCADA
Monitoreo de Nivel
Ver Proyecto
IoT
Almohada Inteligente
Ver Proyecto
Programación
Pseudocódigo Señal Senoidal
Ver Proyecto
Automatización
Lavadora Industrial
Ver Proyecto
Electrónica
Control Vehículo Karting
Ver Proyecto
HMI/SCADA
Interfaz Monitoreo
Ver Proyecto
Seguridad
Control de Acceso
Ver Proyecto
Automatización
SCADA Planta Pintura
Ver Proyecto
Data Science
Análisis Datos Python
Ver Proyecto
Seguridad
Sistema Acceso Simple
Ver Proyecto
Electrónica
Sistema RGB
Ver Proyecto
Educación
Arduino Tinkercad
Ver Proyecto
Neumática
Circuito Electroneumático
Ver Proyecto
Automatización
Control Cinta Transportadora
Ver Proyecto
Neumática
Circuito Electroneumático
Ver Proyecto
Ingeniería
Planos P&ID Norma ISA
Ver Proyecto
Seguridad
Control Acceso Estacionamiento
Ver Proyecto
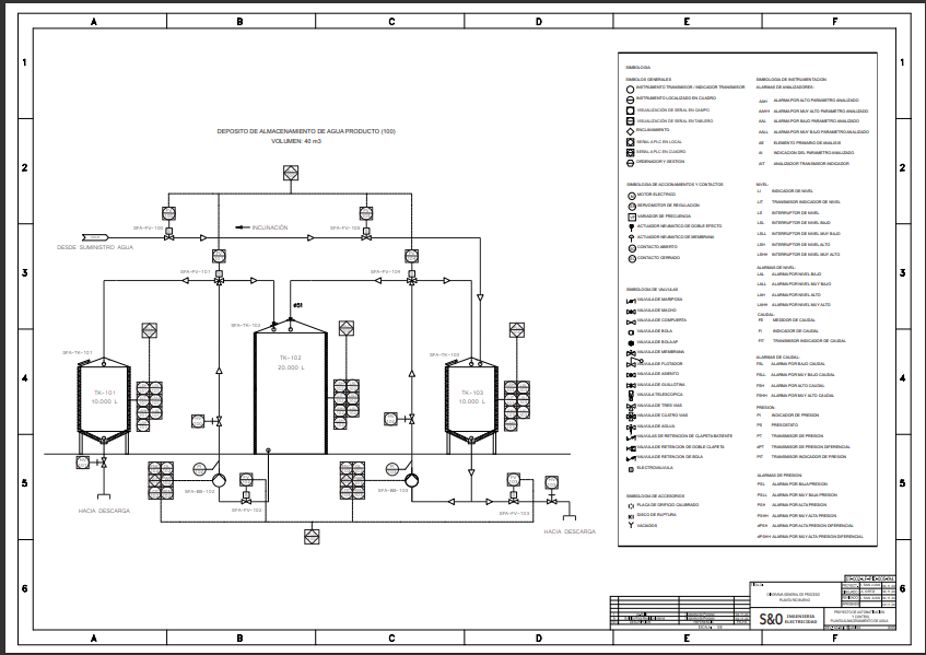
SCADA
SCADA Planta Agua
Ver Proyecto
Automatización
Control Nivel Simple
Ver Proyecto
Mobiliario
Mesa de Camping
Ver Proyecto
Electrónica
Circuito Tiristor
Ver Proyecto
Robótica
Control Velocidad Robot
Ver Proyecto
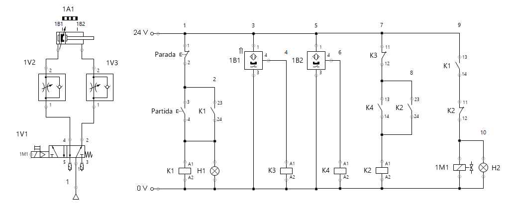
Electricidad
Circuito Fuerza y Control
Ver Proyecto